こんにちは!
まーちゃるです。
今回は前回までに作った冷却部を配線BOXにマウントする回です。
今回冷却改造するにあたって使用した配線BOXはタカチのYM-100というアルミBOXを使用しました。
このアルミBOXはコの字のアルミ板を2つ組み合わせて箱形状を成しています。
このアルミBOXには温度計を取り付けたりペルチェとファンのスイッチを付けたりLEDのパイロットランプ付けたり電源供給のDCジャック付けたりカメラからのUSB付けたりシャッターコントローラのステレオジャック取り付けたりします。
まあ、簡単に言うと、いっぱい取り付けるものがあります。
なので、それらが取り付くための取り付け穴が必要です。
まず、箱の構成から見ていきましょう。
買ってきた新品の箱はキレイにビニールでラッピングされています。
ビニールを外すと
このように2つに分割できます。
分割された2つのアルミ板もそれぞれ保護フィルムが貼ってあります。
この2つのアルミ板は下の画像のように合体して箱になります。
で、まずはこの箱にどんな穴をあけるかというと
まあ、完成形を見るのがイメージつきやすいと思うので。
こんな感じですね。
まあ、もうすでに一部部品が付いちゃってますが。
結構穴だらけです。
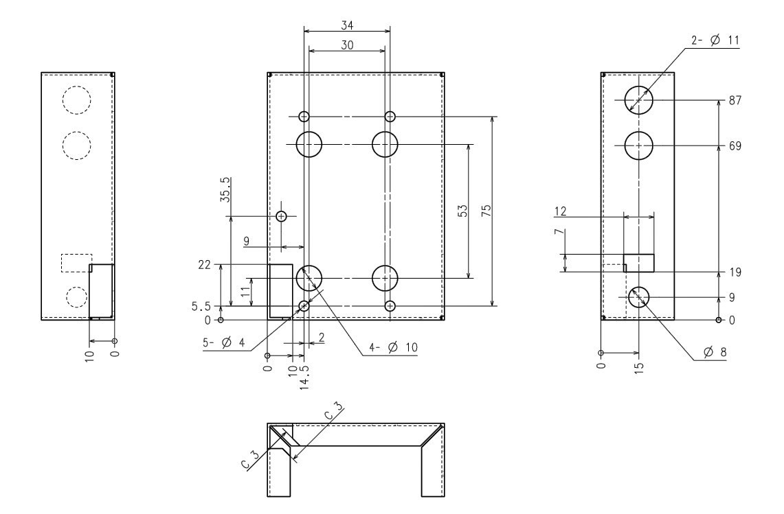
んで、この追加工の図面がこちらになります。
BOX1
BOX2
まあ、これは取り付ける部品にもよるので最終的には自分が取り付ける部品のパネル寸法で穴あけすればオッケーです。
えー、図面に不備があるのでBOX1の図面は後で差し替えますね。。。
→差し替えました。
大きい穴を開けるのはボール盤使っても結構大変だったりするので、φ8までくらいはドリルやボール盤で穴を開けて、その後はヤスリでちまちま削るのもアリです。
穴開け後は部品をポチポチ嵌めていきます。
こんな感じですね。
電気配線についてはまた後ほど説明します。<
温度計はパネル厚が合わなくてガタガタするので僕は画像のように裏からグルーガンでガッチリ止めてしまいました。
余った束線もグルーガンで止めちゃいました。
グルーガン最強ですね。
このアルミBOXへの部品取り付けと共にその3で作製した冷却部もアルミBOXにネジで固定します。
この時にファンガードも付けてしまいます。
コレね↓
ただ、1箇所だけはプラネジで固定します。冷却板にアルミBOXから直接熱伝導するのをふせぐためです。
プラネジの位置はここです。
メカ的な加工及び部品取り付けはここまでになります。
次のその5では配線について紹介します。
僕はメカ屋で電気屋ではないので回路図とかかなり適当だし、そもそも回路図としての体を成していないですが、そこはスルーするようにお願いします(笑)
まーちゃるです。
今回は前回までに作った冷却部を配線BOXにマウントする回です。
今回冷却改造するにあたって使用した配線BOXはタカチのYM-100というアルミBOXを使用しました。
このアルミBOXはコの字のアルミ板を2つ組み合わせて箱形状を成しています。
このアルミBOXには温度計を取り付けたりペルチェとファンのスイッチを付けたりLEDのパイロットランプ付けたり電源供給のDCジャック付けたりカメラからのUSB付けたりシャッターコントローラのステレオジャック取り付けたりします。
まあ、簡単に言うと、いっぱい取り付けるものがあります。
なので、それらが取り付くための取り付け穴が必要です。
まず、箱の構成から見ていきましょう。
買ってきた新品の箱はキレイにビニールでラッピングされています。
ビニールを外すと
このように2つに分割できます。
分割された2つのアルミ板もそれぞれ保護フィルムが貼ってあります。
この2つのアルミ板は下の画像のように合体して箱になります。
で、まずはこの箱にどんな穴をあけるかというと
まあ、完成形を見るのがイメージつきやすいと思うので。
こんな感じですね。
まあ、もうすでに一部部品が付いちゃってますが。
結構穴だらけです。
んで、この追加工の図面がこちらになります。
BOX1
BOX2
まあ、これは取り付ける部品にもよるので最終的には自分が取り付ける部品のパネル寸法で穴あけすればオッケーです。
えー、図面に不備があるのでBOX1の図面は後で差し替えますね。。。
→差し替えました。
大きい穴を開けるのはボール盤使っても結構大変だったりするので、φ8までくらいはドリルやボール盤で穴を開けて、その後はヤスリでちまちま削るのもアリです。
穴開け後は部品をポチポチ嵌めていきます。
こんな感じですね。
電気配線についてはまた後ほど説明します。<
温度計はパネル厚が合わなくてガタガタするので僕は画像のように裏からグルーガンでガッチリ止めてしまいました。
余った束線もグルーガンで止めちゃいました。
グルーガン最強ですね。
このアルミBOXへの部品取り付けと共にその3で作製した冷却部もアルミBOXにネジで固定します。
この時にファンガードも付けてしまいます。
コレね↓
ただ、1箇所だけはプラネジで固定します。冷却板にアルミBOXから直接熱伝導するのをふせぐためです。
プラネジの位置はここです。
メカ的な加工及び部品取り付けはここまでになります。
次のその5では配線について紹介します。
僕はメカ屋で電気屋ではないので回路図とかかなり適当だし、そもそも回路図としての体を成していないですが、そこはスルーするようにお願いします(笑)













コメント
コメント一覧 (8)
いよいよ配線スタート!ここからは未知の世界へ突入だ。
本当に出来るか心配になって来た。。。。
まるパクリだと芸がないのでスイッチの位置ぐらいは変えて見ます(^^;
まーちゃる
が
しました
私にはどの辺をどういう機能を求めて製作されているのかチンプンカンプンですが、完成を楽しみにしてます(^^)/
まーちゃる
が
しました
私は適当に開け始め、部品がとりつかないことが多々あります^^;
タカチさんはボックスの穴あけ加工サービスというのがあるらしいです。
CADで穴あけ位置を書いてからお見積りとか。
大量生産するならお世話になりたいです。
まーちゃる
が
しました
こんばんは!
コメントありがとうございます。
自分流にアレンジできるところはどんどんアレンジして改良するのがいいですね!
次の配線編で一旦書き溜めたのが全て吐き出されるのでカメラ追加工編はちょっと間が空きます。
その間に追いついておいてください(笑)
まーちゃる
が
しました
こんばんは!
コメントありがとうございます。
記事は実は次の回までしか書き溜めてないので、少しまた間が空きます。
ちょっとこの先は細かくまとめないとやり直しがきかなくなるので、誰が見ても分かりやすい内容にまとめたいと思っていますが。。。
結構なボリュームで挫けそうです(笑)
まーちゃる
が
しました
こんばんは!
コメントありがとうございます。
僕はボックスの加工はノギスでけがいてハンドドリルで穴を開けて、ヤスリでちまちま仕上げていきました。
ほぼ手作業なので、図面通りにはもちろん出来ていないし、よく見ると結構雑です(笑)
タカチの穴あけサービスいいですね!
安ければ頼みたいところです。
まーちゃる
が
しました
箱もさすがに綺麗に加工しますね。配線は繋がっていればOKですから、外見が綺麗なほうが良いですね。重さはどのくらいですか? 300gは超えている?
まーちゃる
が
しました
こんにちは!
コメントありがとうございます。
お察しの通りメカ屋ですね。
メカ設計には自信がありますが、電気はからきしです。
matagonさんと僕で何か作りますか!
自動導入付き赤道儀とか(笑)
重量は計ったけど忘れちゃいましたね。
軽量化のためアルミヒートシンクのCPUクーラーをわざわざ選択したのでそこそこ軽かった気がします。
300gはあったかなぁ?
無かったような気がします。
まーちゃる
が
しました